hardware:ir_reciever
Table of Contents
IR reciever
Een standaard seriële Infrarood receiver gebruikt in mijn media center.
De receiver is onder Linux met Lirc als standaard seriële homebrew receiver te gebruiken.
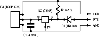
Onderdelen lijst
- TSOP 1738 IR receiver
- 4.7μF Condensator
- 5V 100mA TO-92 78L05 voltage regulator
- 4.7kOhm weerstand
- 1N4148 diode
Schema
Sources
hardware/ir_reciever.txt · Last modified: by 127.0.0.1


